トップ > ねじ・ボルト【箱売】 > 小ねじ・ビス【箱売】 > さら小ねじ【箱売】 > (−)皿小ねじ 鉄 生地 さら サラ ビス【1本単価がお得!箱売】
(−)皿小ねじ 鉄 生地 さら サラ ビス【1本単価がお得!箱売】
 |
23pt |
GMOポイントは
ショッピングモールやサービスの垣根なく
多くのネットショップや複数のサービスで
利用する事ができる共通ポイントです。
3980円以上で送料無料
3,980円以上のご購入で送料無料!
★箱売のねじです。1本単価でみると断然お得!●購入前にチェック!
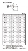
必要な数を必要なだけ!【バラ売】■特長/すりわり付きの皿頭小ねじです。部材に頭部を出さない為の座ぐり加工が必要です。■材質/鉄:■規格/ISO■表面処理/生地:表面処理なし。●在庫品です。 (欠品等の場合は出荷まで日数がかかることがあります。●この商品の問合せ・御見積はコチラ→shop@yht.jp ※※当サイトの最低ご購入金額は総額540円 (税込) 以上になります。予めご了承ください。※※
