3,980円以上のご購入で送料無料!
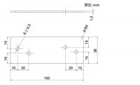
表面処理はユニクロめっき。穴径4.5mm。木材のつなぎ合わせや、補強、垂直に木材を固定したいときなどに使用。2X4材用。
【注意事項】
※こちらの商品の外箱は什器用としても兼用していることから取り出し窓口(切り取り線付近)の角が弱くなっており運送中に変形していることがあります。
ただしこれは製品の不具合では無いため小箱破損による返品についてはお受けいたしかねます。
なお小箱破損による返却により弊社へ到着したものについては受け取りをいたしかねます。
(最悪受け取り拒否をさせて頂く事やキャンセル処理が行われない事も御座います。)
何卒ご了承頂きたくお願い申し上げます。

※商品によってご注文単位が異なりますため、お見積り時にご連絡いたします。
diy、リノベーション、リフォーム、壁、棚、机、アイデア、椅子、初心者、収納、おうち、時間